


 
 
400 6626 286
上海美續注漿壓力變送器MX-DG-888-03系列是我司針對工程機械,環保治理行業較為復雜的工作環境所開發的產品:測壓前端采用特殊處理的堅固膜片,特殊金屬和獨特的工藝制成,完美的結構設計可以使其在泥漿沙粒等惡略環境中正常工作。此款產品結構緊湊、耐腐蝕,抗震動、抗微粒沖擊、寬范圍溫度補償,優秀的性能使其廣泛應用于地鐵盾構機、泥沙治理等領域。
 ?工業自動化應用領域
?地鐵盾構機領域 
?工程機械應用方面-頂管機行業
?石油化工機械
?裝載機械、挖沙機
?環境治理/污水處理
?填海造路/泥漿監測
?0….100bar寬壓力范圍可以選擇
?進口耐高溫敏感元件
?激光冷焊工藝、純不銹鋼結構
?精度高,免調校。
?微型放大器,電壓、電流信號輸出
?抗干擾強、長期穩定性好
?抗振動、抗沖擊/耐沙粒沖擊
?寬范圍的溫度補償
 
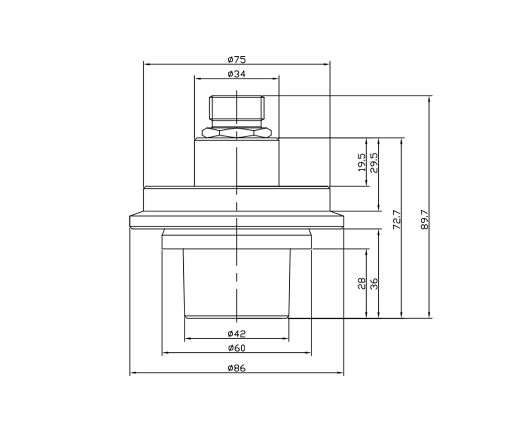
 | 量程范圍: | 0~50BAR~100BAR(量程可以約定) | 
| 綜合精度: | 0.25%FS(代號A);0.5%FS (代號B); | 
| 輸出信號: | MV/V信號輸出(代號1);4-20mA(兩線制代碼2);0-10V(代碼3);0-5V(三線制代碼4) | 
| 供電電壓: | 24(12~36)VDC (放大信號) | 
| 工作溫度: | -20~80℃ | 
| 補償溫度: | -10~70℃ | 
| 過載壓力: | 1.5倍額定壓力 | 
| 響應時間: | ≤1ms(上升到90%FS) | 
| 本體材質: | 316L不銹鋼材質 | 
| 電氣連接: | 航空插件(D3);四芯插件(D4) | 
| 壓力連接: | 獨有的壓板式連接 | 
| 型號 | 量程(bar) | 精度 | 輸出信號 | 接口 | 電氣連接 | 其它要求 | 
| MX-DG-888-03 | 50 | 0.25 | 4-20MA | 壓緊式 | 航空插件 | --- | 
| 訂貨舉例: MX-DG-888-03-50Bar-A2-D3 | ||||||
如有不懂選型請咨詢銷售工程師,或者當地經銷商。
公司名稱:上海美續測控技術有限公司
公司地址:上海市松江區三新北路1800弄國家電子商務園24號樓3層
聯系電話:021-67881626   
公司網址:www.sltgss.com  、詳細說明請參照使用說明