

400 6626 286
上海美續泥漿土壓力變送器MX-DG-888-06系列是采用高性能高精度單晶硅芯體和高穩定放大電路的土壓變送器,其傳感器測壓前端采用特殊處理的堅固膜片,特殊金屬和獨特的工藝制成,完美的結構設計可以使其在泥漿沙粒等惡略環境中正常工作。此款產品結構緊湊、耐腐蝕,抗震動、抗微粒沖擊、寬范圍溫度補償,優秀的性能使其廣泛應用于地鐵盾構機、工程機械等領域。
?工業自動化應用領域
?地鐵盾構機領域
?工程機械應用方面-頂管機行業
?石油化工機械
?裝載機械、挖沙機
?環境治理/污水處理
?填海造路/泥漿監測
?0….1000bar寬壓力范圍可以選擇
?高精度單晶硅芯體
?激光冷焊工藝、純不銹鋼結構
?精度高,免調校。
?微型放大器,電壓、電流信號輸出
?抗干擾強、長期穩定性好
?抗振動、抗沖擊/耐沙粒沖擊
?寬范圍的溫度補償
| 量程范圍: | 0~50BAR~1000BAR(量程可以約定) |
| 綜合精度: | 0.25%FS(代號A);0.5%FS (代號B); |
| 輸出信號: | MV/V信號輸出(代號1);4-20mA(兩線制代碼2);0-10V(代碼3);0-5V(三線制代碼4) |
| 供電電壓: | 3-15VDC(MV/V輸出用);24(12~36)VDC (放大信號) |
| 工作溫度: | -20~80℃ |
| 補償溫度: | -10~70℃ |
| 過載壓力: | 1.5倍額定壓力 |
| 響應時間: | ≤1ms(上升到90%FS) |
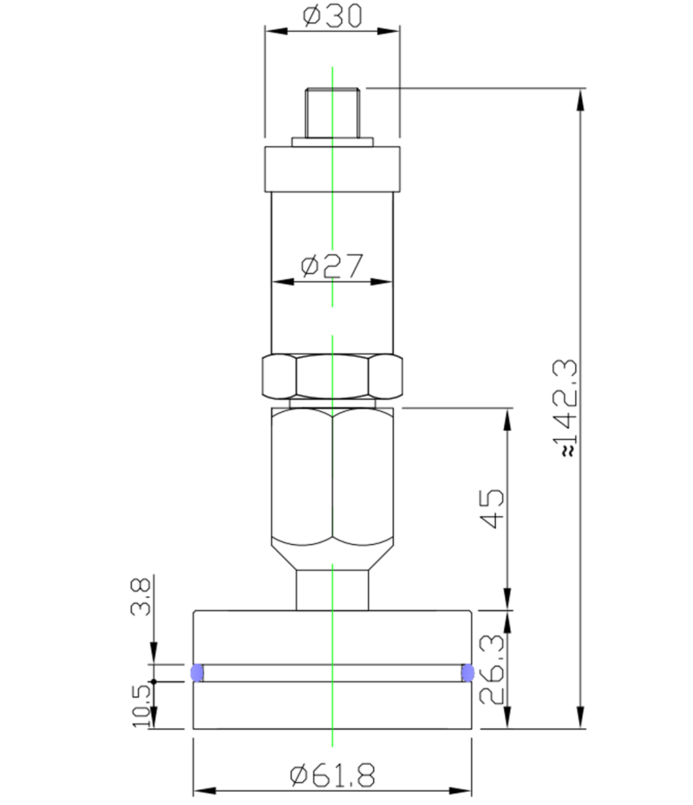
| 本體材質: | 316L不銹鋼材質 |
| 電氣連接: | 四芯插件;防護等級IP65 |
| 壓力連接: | 獨有的壓板式連接 |
| 型號 | 量程(bar) | 精度 | 輸出信號 | 接口 | 電氣連接 | 其它要求 |
| MX-DG-888-06 | 50 | 0.25 | 4-20MA | 壓緊式 | 默認四芯插件 | --- |
| 訂貨舉例: MX-DG-888-06-50Bar-A2 | ||||||
如有不懂選型請咨詢銷售工程師,或者當地經銷商。
公司名稱:上海美續測控技術有限公司
公司地址:上海市松江區三新北路1800弄國家電子商務園24號樓3層
聯系電話:021-67881626
公司網址:www.sltgss.com 、詳細說明請參照使用說明