



400 6626 286
產品描述
上海美續MX-LL-116-05系列齒輪流量變送器是容積式流量變送器。高精度測量體積流量的變送器。隨著介質的流動使齒輪嚙合轉動,在流體流動的作用下,儀表進出口兩端形成壓差,不需要供電,一對齒輪自由旋轉,其齒輪間的空腔充滿液體、液體隨著旋轉被排出,測出齒輪的轉數即可知道流經儀表液體、液體的流量.
變送器的轉速是通過裝在表殼上的信號放大器里傳感線圈來檢測。信號放大器不與被測量介質相接觸。當變送器齒輪切割由殼體內永久磁石產生的磁力線時,就會引起傳感線圈中的磁通變化。傳感線圈將檢測到的磁通周期變化信號送入前置放大器,對信號進行放大、整形,產生與流速成正比的脈沖信號,送入單位換算與流量積算電路得到并顯示累積流量值,同時亦將脈沖信號送入頻率電流轉換電路,將脈沖信號轉換成模擬電流量,進而指示瞬時流量值。

特殊優點
圓柱齒輪變送器加工精度高,精密安裝。齒輪的旋轉被非接觸掃描,每一個齒產生一個脈沖,分辨率非常高.圓柱齒輪變送器可測量非常小的流量,定量小體積的液體。
應用領域
?樹脂、膠水測量
?液壓油、潤滑油、油脂測量
?水處理、污水處理站(環保污水控制)
?泥漿、礦漿、紙漿等流體
?燃料油測量、油墨、瀝青測量
?冷凍液、溶劑測量
?制藥濃縮設備、植物提取設備
產品特點
?耐高壓
?可測量各種粘性介質
?高精度和高重復性
?脈沖輸出/模擬量輸出可選
?測量范圍廣、量程比寬
?抗污能力強
運動示意

圖1 流體流動示意圖
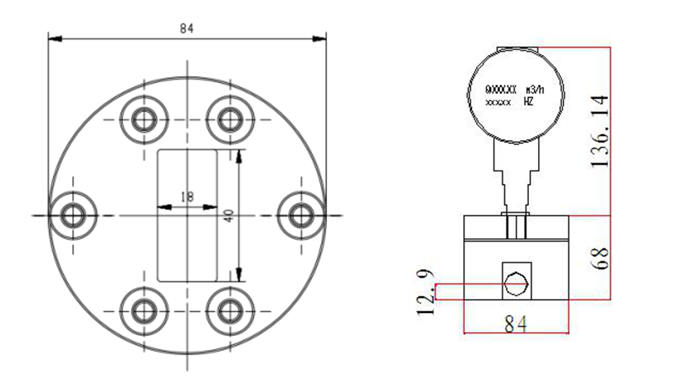
常規尺寸
DN2-DN10安裝尺寸圖
參數規格
| 型號說明: | MX-LL-116-05(常規型號);MX-LL-116-05G(高溫型) |
| 公稱直經: | DN2、4、6、8、10、15、20。 |
| 連接方式: | 安裝法蘭(B1);螺紋安裝(B2);卡箍安裝(B3) |
| 環境溫度: | -20℃~+60℃; |
| 量程比值: | 1:10; 1:20 |
| 精度范圍: | ±0.5%(A)特殊、±1%(B); |
| 本體材質: | 304不銹鋼(F2);316L不銹鋼(F3);PP材質(F4) |
| 壓力等級: | P1等級40公斤=4MPA;P2等級16公斤=1.6MPA;P3等級10公斤=1MPA;P4等級6公斤=0.6MPA |
| 介質溫度: | 標準:-30℃~ +120℃,高溫:120℃~ 350℃ |
| 供電電源: | 24VDC供電(兩線制)-(E1);電池供電 –(E2)。 |
| 信號輸出: | 脈沖信號輸出(S1);4~20mA(S2);RS485(S3);4~20mA+ HART協議(S4) |
| 通訊功能: | RS485通訊;HART協議 |
| 電氣接口: | M20*1.5 |
| 直管要求: | 變送器的上游側應有20倍公稱通徑長度的直管段或安裝整流器,下游應有5倍公稱通徑長度的直管段 |
| 其他要求: | 無 |
選型指南
| 型號 | 通徑 | 連接方式 | 精度 | 本體材質 | 壓力 | 供電 | 信號 | 其他 | 其他 |
| MX-LL-116-05 | DN6 | 法蘭連接 | 0.5% | 304 | 16公斤 | 24VDC | 4-20MA | 無 | 無 |
| 訂貨舉例: | MX-LL-116-04-DN6-B1-A-F2-P2-E1-S2 | ||||||||
特別提醒
1. 變送器現場安裝位置應盡可能避開溫度大、機械振動大、磁場干擾強、腐蝕性強的環境,應選擇易于維護維修的位置安裝。變送器一般應水平安裝,必須用螺絲將傳感器牢固安裝在裝配體上。如果必須垂直安裝則液體方向必須向上。液體應充滿管道,不得有氣泡。
2. 變送器的上游側應有20倍公稱通徑長度的直管段或安裝整流器,下游應有5倍公稱通徑長度的直管段。
變送器的種類附件在安裝時,基中心線應對準管道中心線,連接處的密封墊不可突入液體內
需要安裝流量調節閥時,必須在傳感器的下游側安裝。
3. 在新的管道上安裝傳感器時,為避免管路中的雜質進入變送器,建議在變送器上游安裝過濾器。
為了檢修時不影響液體的正常傳輸,應在變送器的安裝處安裝旁通管路。
4. 齒輪流量變送器附近的磁場和類似的干擾源可能會影響傳感器拾取信號,變送器與顯示儀表之間的連接應采用帶金屬的屏蔽電纜,傳輸電纜的屏蔽層在顯示儀表端一點接地
5. 表頭接線方式(脈沖輸出):三線制接線方式:棕色:+11V-24V,藍色:GND,黑色:IN
如有不懂選型請咨詢銷售工程師,或者當地經銷商。
公司名稱:上海美續測控技術有限公司
辦公地址:上海市松江區三新北路1800弄國家電子商務園24號樓3層
工廠地址:上海松江區光華路650號
聯系電話:021-67881626
公司網址:www.sltgss.com 、詳細說明請參照使用說明