



1.產品描述:
上海美續測控MX-LL-116-10熱式氣體質量流量計是利用熱傳導原理測流量的儀表,該儀表采用恒溫差法對氣體質量流量進行準確測量。具有體積小、數字化程度高、安裝方便,測量準確等優點。
傳感器部分由兩個基準鉑電阻溫度傳感器組成。采用橋式環路,一個傳感器測量流量溫度,另一個傳感器維持高于流體溫度的恒溫差,根據發熱元件耗散熱量與流速的關系實現流量測量的。一般的方法是將置于流體中的很細的金屬絲,通以電流加熱,由于流體流動將迫使熱絲冷卻,并且被冷卻的程度是隨流速而變化的,因此可以通過測量熱絲電阻值的變化求出流速和流量。可以在高溫和高壓條件下進行流量測量。
2.應用領域:
?石油化工、鋼鐵冶金
?給水排水、水利灌溉
?水處理、污水處理站(環保污水控制)
?泥漿、礦漿、紙漿等流體
?蒸餾脫銷工程系統、冷凝水測量
?造紙(紙漿)、泥漿、醫藥、食品等工農業的生產公司過程流量測量和控制
3.產品特點:
1、無可動部件,密封面減少,大大降低泄漏率,便于安裝和日常維護;
2、測量范圍寬,最大測量范圍可達20︰1(液體)或30︰1(氣體);
3、計量準確、精度高,法蘭式可達0.2%(液體)或0.5%(氣體);
4、靈敏度極高,能測量超小流量,其可測量低流速為0.08m/s,電磁流量計0.5m/s;
5、重復性好,一般為0.05~0.08%,具有可選小信號切除,非線性修正,濾波時間可選擇;
6、壓力損失小,小口徑僅為標準孔板的1/2△P左右;DN100口徑以上壓力損失開始大幅度減少;
7、標定方便,除可采用標準裝置檢定外,還可采用干式標定方法,即采用砝碼掛重法,單鍵操作即可完成標定;8、可根據實際需要更換阻流件而改變流量范圍,在線可拆裝插入式結構可實現不停產,不斷流維修或更換;9、低功耗電池現場顯示,能在線直讀示值,顯示屏可同時讀取瞬時流量累積流量及百分比棒圖,并可切換顯示補償溫度及補償壓力示值;10、抗干擾、抗雜質能力特強,多種輸出形式,能遠傳各種參數,使用無需拌熱。11、測量氣體無需溫度壓力補償,可直接顯示標況體積流量。
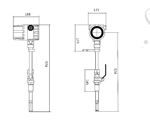
4.外形尺寸:

5.選型參數規格:

6.選型指南:
型號  | 測量通徑  | 精度等級  | 溫度  | 供電  | 輸出  | 連接方式  | 本體材質  | 無  | 無  | 
MX-LL-116-10  | DN150  | 1%  | 185°  | 24VDC  | 4-20MA  | DN15  | 304不銹鋼  | ||
訂貨舉例:  | MX-LL-116-10-DN150-A2-W1-E2-S2-DN15-F2  | ||||||||
7.安裝提醒
如基本口徑是DN80-1000 插入深度是管徑的一半。管徑再大些,插入深度可以按四分之一甚至八分之一的位置安裝。插入式都是管道開25mm的孔,然后底座無螺紋一端焊接在管道上,然后插入傳感器,底座和傳感器上的球閥連接,按傳感器上的刻度調整好插入深度,擰緊螺紋固定即可。
如有不懂選型請咨詢銷售工程師,或者當地經銷商。
公司名稱:上海美續測控技術有限公司
辦公地址:上海松江區小昆山鎮國家經濟開發區中德路 860 號 6 幢
聯系電話:021-67881626
公司網址:www.sltgss.com 、詳細說明請參照使用說明