


400 6626 286

1.產品描述:
MX-WD-11不銹鋼數顯溫度變送器是采用高精度的進口PT100鉑電阻作為感溫元件,再通過電路處理模塊將電阻信號轉換成標準的4-20mA電流信號,作為一體化溫度變送器在工業現場直接輸出 4-20mA 信號,這樣既省去昂貴的補償導線,又提高了信號長距離傳送過程中的抗干擾能力,同時又采用了純不銹鋼外殼設計,可以適合潔凈區光潔度和防爆要求,同時變送器部件精度高、功耗低,使用環境溫度范圍寬,工作穩定可靠。而且由于采用硅橡膠密封結構,變送器耐震、耐濕,適宜于惡劣現場環境中使用。
2.應用領域:
?食品,化纖行業,機械工程應用方面
?各種水壓、氣壓的測量
?醫療衛生應用、制藥萃取行業
?石化環保行業、廢水蒸發器行業
?蒸餾脫銷工程系統、一般工業控制領域
3.產品特點:
?帶現場LCD顯示功能
?抗震性能好、測量精度高
?測量范圍大(-80℃~500℃)
?熱響應時間快、使用壽命長
?防護等級高、耐壓性能好、多種輸出信號可以選擇
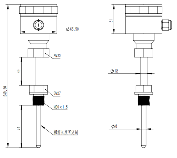
4.規格尺寸

5.技術規格參數表

6.選型指南:
型號 | 量程 | 供電 | 輸出 | 安裝方式 | 插入深度 | 材質 |
MX-WD-11 | 0-100° | 24VDC | 4-20MA | M20×1.5 | 100MM | 304不銹鋼 |
訂貨舉例: | MX-WD-11-(0-100)-E2-A2-M20×1.5-100/6-30A | |||||
7.特別提醒:
如有不懂選型請咨詢銷售工程師,或者當地經銷商。
公司名稱:上海美續測控技術有限公司
地址:上海市松江區中德路860號6幢
聯系電話:021-67881626
公司網址:www.sltgss.com 、詳細說明請參照使用說明