



 
 
400 6626 286
產品描述
ACK-RT-02系列直桿高精度高溫熔體壓力傳感器/變送器,是我公司針對目前高端塑料、化纖行業、橡膠制品行業研發的一款完全可以替代同類進口的美國產品和意大利產品。純不銹鋼的外殼加上抗干擾能力強的電路,鋼性桿的直插式螺紋連接,產品采用特殊材料及合金彈性膜片,降低了溫漂,提高了測量精度。性能指標達到了世界同類產品,目前已經在市場上占有了很大的占有率,并且一直是塑料,化纖行業高端熔體壓力傳感器的代表。其中加裝了測溫熱電偶,可實現壓力溫度同點測量。不但可以實現放大信號直接進PLC控制系統,同時又可MV信號進入我司二次儀表,實現簡單的自動化控制。內部80%校準信號,安裝簡單,性價比高。廣泛應用于化纖,塑料擠出行業高溫壓力的監測
 
應用領域
?化纖拉絲設備
?醫藥、食品加工、包裝設備
?板材擠出機、型材擠出機
?造粒回收機等
?其它高溫流體的壓力測量和控制
?塑料橡膠制造設備
產品特點
?內部80%校準信號
?良好的穩定性和重復性
?15-5PH膜片材質
?最高耐溫450℃
?可以替代同等美國進口產品
?高精度、高穩定性
?同時在進口型的基礎上我們還有經濟型的產品
?抗振動,抗沖擊  量程范圍寬,可測量絕壓、表壓和密封參考壓力
 
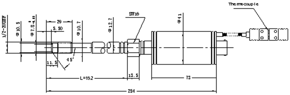
外形尺寸
  
  圖1單功能常規外形圖紙
	 

圖2溫壓雙功能常規外形圖紙
                          
技術規格
	 
| 型號選擇: | ACK-RT-02(單功能);ACK-RT-02T(溫壓雙測型) | 
| 壓力量程: | 0-2MPA(此量程請選擇大螺紋);0-20MPA 0-50MPA 0-100MPA 0-150MPA (量程可約定) | 
| 綜合精度: | 0.25%FS(代號A);0.5%FS(代號B) | 
| 過載壓力: | 1.5倍額定壓力 | 
| 輸出信號: | 傳感器信號:3.33MV/V (代碼1);變送器輸出信號4-20mA(兩線制代碼2); 0-10V(代碼3);0-5V(三線制代碼4); 4-20mA+HART(代碼5);RS485(代碼6) | 
| 爆破壓力: | 3倍額定壓力 | 
| 供電電壓: | 變送器24VDC(12-36V);傳感器10VDC(9~12V) | 
| 工作溫度: | -20℃~450度 | 
| 補償溫度: | 0℃~300° | 
| 非線性值: | 滿量程的0.2% | 
| 膜片材料: | 15-5PH 帶涂層的不銹鋼 ;特殊膜片材質(請和選型工程師溝通) | 
| 內部校準 | 80%FS±1% | 
| 硬桿長度: | 硬桿長度:S:6″(英寸)(152mm),9″(230mm),12″(305mm) | 
| 軟管長度:N:18″(460mm);30″(762mm);1英寸=25.5MM | |
| 壓力連接: | 1/2″-20UNF, M14×1.5, M18×1.5, M22×1.5,G3/4(可按客戶要求) | 
| 電氣連接: | 六芯航空插件(C);格蘭出線(代號D) | 
| 選分度號: | PT100,J型,K型,E型, | 
| 外殼材質: | 默認不銹鋼外殼 /緣阻抗:200MΩ @ 100 Vdc | 
訂購指南
| 型號 | 量程(bar) | 精度 | 輸出信號 | 桿長 | 安裝螺紋 | 電氣連接 | 分度號 | 
| ACK-RT-02T | 50MPA | 0.5%S | 4-20MA | 6=152MM | M14*1.5 | 6芯插件 | PT100 | 
| 訂貨舉例 | ACK-RT-02T-50MPA-B2-6-M14-C-P | ||||||
特別提醒
	 
如有不懂選型請咨詢銷售工程師,或者當地經銷商。
公司名稱:上海美續測控技術有限公司
辦公地址:上海市松江區三新北路1800弄國家電子商務園24號樓3層
工廠地址:上海松江區光華路650號
聯系電話:021-67881626   
公司網址:www.sltgss.com  、詳細說明請參照使用說明