



 
 
400 6626 286
產品描述
上海美續公司為了更好地服務廣大國內客戶,為了市場更快地實現自動化控制,我公司開發了性價比極高的, MX-RT-03系列熔體傳感器,其采用了我司研發的高穩定的芯體,和性價比高的穩定電路,完美實現完全國產,以高性價比、親民的價格在塑料行業、回收行業已經占有極大的市場地位,其中加裝了測溫熱電偶,可實現壓力溫度同點測量。不但可以實現放大信號直接進PLC控制系統,同時又可MV信號進入我司二次儀表,實現簡單的自動化控制。內部80%校準信號,安裝簡單,性價比高。廣泛應用于化纖,塑料擠出行業高溫壓力的監測。深受廣大塑料行業的喜愛。
 
應用領域
?化纖拉絲設備
?醫藥、食品加工、包裝設備
?板材擠出機、型材擠出機
?造粒回收機等
?其它高溫流體的壓力測量和控制
?塑料橡膠制造設備
產品特點
?內部80%校準信號
?良好的穩定性和重復性
?15-5PH膜片材質
?最高耐溫450℃
?溫漂系數低、抗干擾性強
?方便校驗、高性價比
 
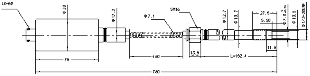
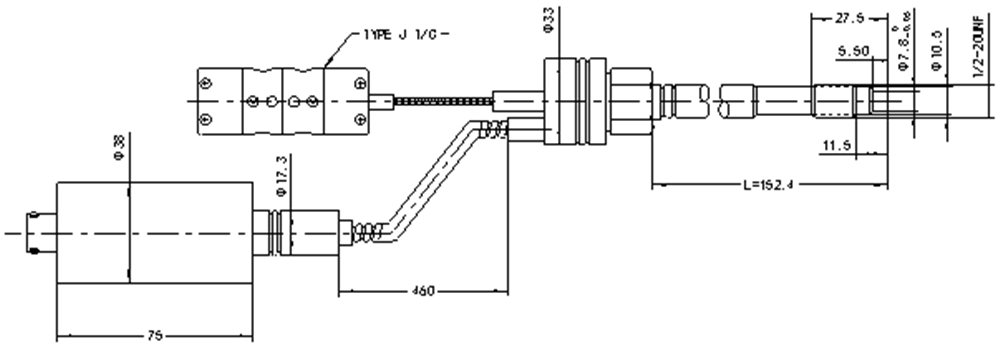
外形尺寸
	 
  
    圖1單功能常規外形圖紙
	 
                    
圖2溫壓雙功能常規外形圖紙
	 
技術規格
	 
| 型號選擇: | MX-RT-03 (單功能);MX-RT-03T(雙功能) | 
| 壓力量程: | 0-2MPA(此量程請選擇大螺紋);0-20MPA 0-50MPA 0-100MPA 0-150MPA(量程可選) | 
| 綜合精度: | 1%FS 代號C; | 
| 過載壓力: | 1.5倍額定壓力 | 
| 輸出信號: | 傳感器輸出信號 :2MV/V(1);變送器輸出信號4-20mA(兩線制代碼2);0-10V(代碼3);0-5V(三線制代碼4); 4-20mA+HART(代碼5);RS485(代碼6) | 
| 爆破壓力: | 3倍額定壓力 | 
| 供電電壓: | 變送器24VDC(12-36V);傳感器10VDC(9~12V) | 
| 工作溫度: | -20℃~450度 | 
| 非線性值: | 滿量程的0.2% | 
| 膜片材料: | 15-5PH 帶涂層的不銹鋼;特殊膜片材質(請和選型工程師溝通) | 
| 內部校準 | 80%FS±1% | 
| 硬桿長度: | 硬桿長度:S:6″(英寸)(152mm),9″(230mm),12″(305mm) | 
| 軟管長度:N:18″(460mm),30″(762mm)1英寸=25.5MM | |
| 壓力連接: | 1/2″-20UNF, M14×1.5, M18×1.5, M22×1.5,G3/4(可按客戶要求) | 
| 電氣連接: | 五芯航空插件(F) 格蘭出線(代號D) | 
| 選分度號: | PT100,J型,K型,E型, | 
| 外殼材質: | 默認不銹鋼外殼 ;絕緣阻抗:200MΩ @ 100 Vdc | 
訂購指南
	 
| 型號 | 量程 | 精度 | 輸出信號 | 桿長/軟管 | 安裝螺紋 | 電氣連接 | 分度號 | 
| MX-RT-03T | 50MPA | 1%S | 4-20MA | 6=152MM/18=460MM | M14*1.5 | 五芯插件 | PT100 | 
| 訂貨舉例 | MX-RT-03T-50MPA-C2-6/18-M14-F-P | ||||||
特別提醒
如有不懂選型請咨詢銷售工程師,或者當地經銷商。
公司名稱:上海美續測控技術有限公司
辦公地址:上海市松江區三新北路1800弄國家電子商務園24號樓3層
工廠地址:上海松江區光華路650號
聯系電話:021-67881626   
公司網址:www.sltgss.com  、詳細說明請參照使用說明